自制电视天线放大器
天线放大器在无线电视接收过程中起着非常重要的作用,弱信号通过它能显著提高输出电平,从而改善信杂比,使收到的电视图像更为理想。天线放大器对接收信号的处理方式有:放大后再混合与混合后再放大两种电路。从字眼上看好像没有什么区别,只不过这几个字的位置调换了一下,实际上这两种电路的天线放大器使用效果截然不同。在电视信号较多和有强信号的地方,放大后再混合的天线放大器明显优于混合后再放大的天线放大器。理由是混合后再放大的天线放大器其放大集成电路因工作频带过宽和强弱信号差别过大,易使其进入非线性状态,而造成强信号干扰弱信号。本文给出两种放大器的电路图,读者可根据所在地区电视信号情况择优选用其中的一种电路。
工作原理:
1.放大-混合方式的天线放大器的电路图如图1所示。1~12频道电视信号在VHF输入端输入,由L1、C1、L2组成一个简易低通滤波器,滤除12频道 以后的电视信号,送到IC1信号输入端进行约20dB的放大,被放大的电视信号经电容C3输出,通过L3、C4、L4低通滤波器与UHF信号相混合后输送 到电视信号输出端。另一路UHF输入端输入的13~57频道电视信号,由C5、L5、C6组成简易高通滤波器,只允许UHF频段的13频道及以后频道的信 号通过,再加到IC2信号输入端进行约20dB的放大,输出后通过高通滤波器(C7、L6、C8)与VHF电视信号相混合后送TV OUT端。该电路的电源由变压器T降压、U1整流、C14滤波、IC3稳压后供给放大器。LED1、R1为电源指示电路。
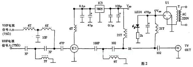
2. 图2是混合-放大方式的天线放大器电路图。其工作原理与放大-混合式的差不多,这里不再赘述。 
元件选择:
IC1、IC2选用日本NEC公司生产的宽频带电视信号放大集成电路μPC1651。焊接IC1、IC2时要求电烙铁可靠接地或拔掉电烙铁电源后用余温焊 接,以防止静电损坏集成电路。IC3选用78L05或7805三端稳压块。电容除C9、C11、C14电解电容外,其余均选用高频瓷片电容。T选用 220V输入、9V输出的3W小功率电源变压器。U1选用1A/50V圆形整流桥,也可以用4只1N4001焊接成桥式整流电路。L1~L4、L7、L8 均用∮0.51mm漆包线在∮3mm圆棒上绕6匝,L5、L6绕2匝,L9、L10绕21匝。其余元件可按图1中所标注的规格参数灵活选用。因天线放大器 电路工作在甚高频和特高频,很容易引起高频自激,所以元件引脚尽可能剪短,特别是IC1、IC2的引脚。电路板要求选用高频性能好的环氧树脂板。电路要大 面积接地。制作好后不用调试,即可投入正常使用。图2所示的元件选择,原则上与图1所示的天线放大器一样。图3为高频放大集成电路μPC1651的各脚功能与外形图
- 刊登此文只为传递信息,并不表示赞同或者反对作者观点。
- 如果此内容给您造成了负面影响或者损失,本站不承担任何责任。
- 如果内容涉及版权问题,请及时与我们取得联系。

文章评论